水压测试设备试压泵控制系统技术方案
本套设备根据客户实际技术要求非标制作:
其中参考试压泵执行标准:
JB/T9089-2014试压泵
JB/T6909-2014超高压泵
JB/T12013-2014自控试压泵
JB/T53194电动试压泵 产品质量分等;
GB-T9234-1997机动往复泵;
GBT 7784-2006 机动往复泵试验方法。

客户水压测试设备技术要求:
1、产品内压及爆破范围0-100MPa;
2、产品试制阶段内压要求,每升压1MPa需稳压30S,以检测产品关键部位关键点的应变情况;
3、正常量产正常内压测试,需用计算机控制连续升压(升压速度可控,在2-5MPa/min之间),切需打印实测报告;
4、抽试产品爆破内压试验,需用计算机控制做连续升压直至爆破,计算机需如实显示、记录、打印测试曲线图和试验报告;
5、其它规范和安全等要求由你们按国标或你们行业要求执行;
6、未尽事宜,我们再联系。
以上,请你们制定一套配置方案,并做一份报价单给我,我要先做“立项申请”,待批准后再实施比价比质量采购。希望能与你们合作。谢谢!
以下技术方案是根据客户以上技术要求结合我公司多年来做的类似项目做出的,采用的图片均为我司类似项目现场实物照片:
二、设备配置部分技术参数及详细功能描述:1、设备概述:本设备根据客户以上技术要求非标制作:
设备主体由100MPa高压电动试压泵含试压泵压力集成阀组与计算机变频控制系统及应变测试分析系统三部分组成。其中电动试压泵脱离计算机变频控制系统后仍可独立进行试压试验,但只能显示和控制压力不能进行数据运算与打印报表,试压系统所有外接电线电缆及数据线据项目现场施工需要调整。
本试压泵计算机变频控制系统的试压泵压力集成阀组中保压和泄压管汇阀门,采用美国进口HIP高压单向阀及HIP高压气控阀加上HIP高压截止阀,反应迅速更能保证整体系统的测试精度、保压精度、并可以将自然压降减至更低,从而实现了整个系统的相对“零泄漏”,我公司早在十几年前就应用变频无极调速系统来控制电动试压泵的升压速率,从而最大限度的实现了停泵不超压,压力不过冲,这一点大大优于同行业其它厂家的控制功能。本试压系统还配有远程遥控紧急开泵、停泵功能,这一点大大的方便了操作人员实际试压工作中的劳动强度,例如在被测工件拧好接口准备开始试压时,可以按遥控器远程开泵,操作人员检查所有接口有无拧紧或者漏水漏压,如遇这种情况可遥控停泵进行操作。
试压控制系统具有手自动一体化控制,当出现超压、过载等异常情况时,系统自动发出报警信息,停止测试并自动泄压,整体系统具有外接信息采集的设备端口。本系统采用电动试压泵安全阀超压自动起跳和试压泵压力集成阀组里美国进口的HIP气控阀远程卸放压力以及采用防震电接点压力表来进行系统限压安全保护。如果试压泵出现紧急故障可按急停按钮关闭控制系统电源,然后手动泄除试样及设备内部压力, 设备运行如遇紧急情况可用遥控紧急停泵,遥控有效距离100米内。
应变测试分析系统可检测试制阶段产品内压每升压1MPa需稳压30S,产品关键部位关键点的应变情况。基于模块化设计,测量采用模块化设计,结构紧凑,体积小巧。每块采集板集成8个测点,每测点内置独立的高精度120Ω(可选配其它阻值)桥路电阻、每测点独立高稳定信号放大调理电路、高性能AD转换器。具有极高的精度和极强抗干扰能力。测试主机(PC)一般主流电脑即可,USB2.0接口,即插即用,方便可靠。数据以EXCEL或TXT或自有格式保存,软件可以实时显示当前值和历史曲线。所有测点同步采样(每通道独立信号调理、独立AD、独立DA),最高采样频率可达200KHz。
一、设备的使用条件:
1、设备可在需方除工装夹具外不必增加其它设施的情况下可正常安装使用;
2、工作环境:-10℃~45℃ 、无可燃性气体、通风干燥、周边无强电磁干扰信号;
3、试验介质:为水或冷却液。
4、设计耐压:100MPa;
5、测试温度:根据实际使用环境及介质温度;
6、压力测量精度:精准度为满量程FS0.1%;
7、本系统采用100MPa精度为FS0.1%的压力传感器;
8、本系统的整体控制精度为FS0.3-0.5%;
9、电源:AC380/220V,50Hz;
10、相对空气湿度要求:≤70-90%。

应变测试分析系统龙泉四川德源工作现场,图片仅供参考具体请以实物为准。

应变测试分析系统龙泉四川德源工作现场,图片仅供参考具体请以实物为准。

应变测试分析系统龙泉四川德源工作现场,图片仅供参考具体请以实物为准。
水压测试设备控制系统详细配置参数:
名称 | 明细项 | 数量 | 单位 | 备 注 | |
水 压 测 试 设 备 控 制 系 统 | 试 压 泵 控 制 系 统 | 计算机(商务机) | 1 | 套 | 飞利浦22寸液晶显示器,联想商用机 |
计算机(工控机) | 1 | 套 | 飞利浦22寸液晶显示器,原装研华工控 | ||
打印机 | 1 | 台 | 惠普彩打系列 | ||
变频器 | 1 | 支 | 松下7.5KW控制5.5KW变频电机 | ||
试压泵控制系统 | 1 | 台 | 思凯达出品,数据采集控制输出,传感器电源,变频器控制 | ||
应变测试系统 | 1 | 套 | 应变数据采集,生成应变数据报表 | ||
试压泵压力集成阀组 | 1 | 套 | 进口配件思凯达集成,详见下表 | ||
设备配电系统 | 1 | 套 | 根据设备实际制作 | ||
计算机操作台(单屏) | 1 | 台 | 碳钢喷塑,思凯达出品 | ||
电动试压泵及相关配套 | 1 | 套 | 3D-SY100MPa,含5.5KW变频电机, | ||
软件 | SKD专用试压泵控制软件 | 1 | 套 | 思凯达出品 | |
注:个别配件在实际生产制作有可能参数不同,但不影响设备整体功能。

商用机老式单屏计算机操作台图片,仅供参考具体请以到货实物为准。

联想商用机单屏计算机操作台现场实物图片,图片仅供参考具体请以到货实物为准。
本操作台上有吊装钩,下有万向轮,方便试压现场移动作业。

研华工控机型单屏计算机操作台现场实物图片,图片仅供参考具体请以到货实物为准。
计算机操作台可任意定制尺寸及操作面板。
试压泵压力集成阀组详细配置:
品 名 | 试压泵厂家 | 规格型号 | 数量 | 单位 | 备 注 |
高压常闭气控阀 | 美国HIP | 15000PSI | 1 | 套 | 60-11HF6-MPO-NC |
高压单向阀 | 美国HIP | 15000PSI | 1 | 套 | 60-41HF6 |
高压过滤器 | 美国HIP | 15000PSI | 1 | 套 | 60-51HF6 |
HIP手动针阀 | 美国HIP | 15000PSI | 1 | 套 | 60-11HF6 |
阀组集成箱 | 思凯达 | 不锈钢 | 1 | 套 | 拉丝不锈钢 |
集成箱高压管汇 | 思凯达 | 15000PSI | 1 | 套 | 不锈钢 |
小气泵 | 1 | 套 | 高压气控阀供气 | ||
耐震电接点压力表 | 济南长城 | 100MPa | 1 | 块 | 1.6级不锈钢耐震150圆接头标准M20X1.5 |
压力传感器 | 菲尔斯特 | 100MPa | 1 | 支 | 精度FS0.1%,传感线10米,接头标准M20X1.5 |
注:个别配件在实际生产制作有可能参数不同,但不影响设备整体功能。

试压泵压力集成阀组图片,图片仅供参考具体请以到货实物为准。

试压泵压力集成阀组内部结构(单向阀与气控阀组合),仅供参考具体请以实物为准。

试压泵压力集成阀组内部结构(单向阀与气控阀组合),仅供参考具体请以实物为准。

3D-SY100MPa电动试压泵车间实物照片,图片仅供参考具体请以实物为准。
3D-SY100MPa电动试压泵技术参数:
电动试压泵型号 | 额定压力(Mpa) | 流 量(L/h) | 功 率(KW) | 电 压(V) | 频 率(HZ) | 重 量(kg) |
3D-SY100/100MPa | 100 | 100 | 5.5 | 380 | 0-50 | 220 |
试压泵型号: 3D-SY100MPa电动试压泵
技术参数:额定压力100MPa,额定低压流量100L/h,额定高压流量100L/h;
试压泵电机:5.5KW变频电机;
试压泵控制系统:带本地手动遥控启停及控制功能和变频控制系统;
出口连接端:M22X1.5工作接头,连接一根两头为M22X1.5的内螺纹高压胶管;
手动卸荷阀:厂家标配;溢流阀:厂家标配;安全保护阀:厂家标配;
试压泵出口高压单向阀:美国HIP高压单向阀及高压附件;
远程泄压阀组:美国HIP高压气控阀及高压过滤器;
试压泵水箱:集成在试压泵底座或直接从水池吸水,内含高压过滤器;
电接点耐震压力表1块:1.6级不锈钢150圆100MPa


上海航天技术研究院八一0项目所试验报告,现场设备及试验过程不允许拍照。

杭州西门子公司电气阀体时爆现场,图片仅供参考

杭州西门子公司电气阀体时爆现场,图片仅供参考

杭州西门子公司电气阀体时爆现场,图片仅供参考

液化气瓶爆破现场爆破图片

钢管弯头现场爆破图片

灭火器现场爆破图片

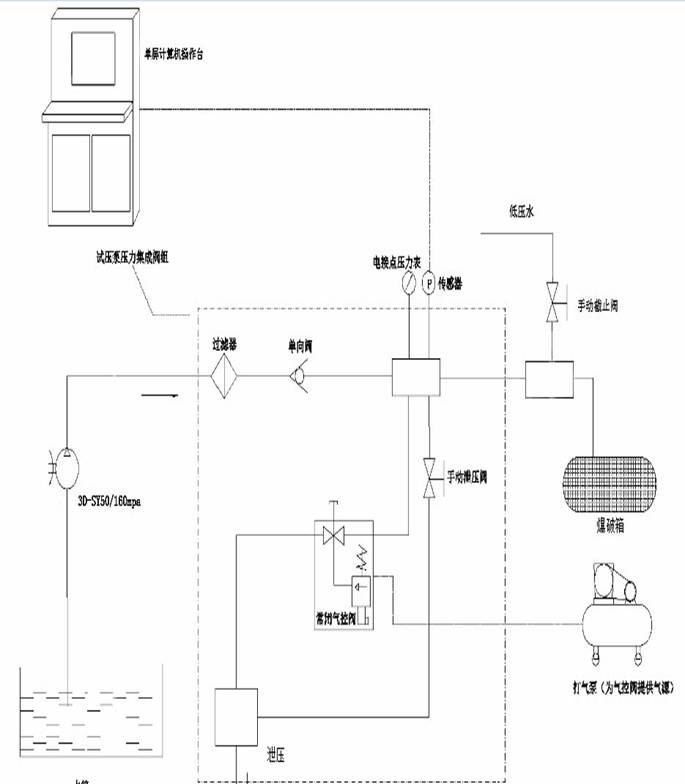
系统液压简易原理图:仅供参考,具体请以最后协议为准:

2、系统电路图:仅供参考,具体请以最后协议为准:


三、设备的控制系统软件的主要功能及技术参数:
鉴于目前很多同行业厂家都是直接使用PLC可编程逻辑控制器自带的组态功能软件,来冒充试压泵专业控制软件,往往是一个模板软件,固化了试验流程,客户试验时根本不能进行自主的编程,更不能根据实际试验及时调整试验程序,也不能单独升级某些需要的功能,升级要单独收费,几百家用户一样的界面,一样的报表。
我司试压泵控制系统的计算机压力采集控制软件的主要功能参照客户产品的标准设计:软件界面及控制内容完全开放设计由用户提出要求,在试验时可任意设定任何试验项目,我们完成功能。我们有几百家客户案例,就有几百个软件界面和几百种不同的软件功能,并提供日后免费升级服务。(本设备先应用本公司计算机控制压力测试系统通用软件待用户能提出最终的软件修改要求为止,期限为设备使用起三个月,如以后我公司计算机控制压力测试软件升级换代,在不增加硬件成本的前提下可免费为需方升级。)
计算机压力采集控制软件的主要基本功能如下:
1、静压试验;(最大试验压力100MPa);
2、爆破试验;(最大试验压力100MPa);
3、本系统采用一支100MPa精度为FS0.1%压力传感器采集数据。
4、系统压力无级调节,靠计算机软件控制;试压泵本身的一些硬件功能包括:“开始”、“暂停”、“卸压”、“手动调压”等;
5、本试压控制系统采用电动试压泵安全阀超压自动起跳和试压泵压力集成阀组里HIP气控阀远程卸放压力以及采用耐震电接点压力表来进行系统限压安全保护。如果试压泵出现紧急故障可按急停按钮关闭控制系统电源,然后手动泄除试样及设备内部压力, 设备运行如遇紧急情况可用遥控紧急停泵,遥控有效距离100米内。
6、本套系统除了客户技术要求中的功能外,外还具有下面N多功能:
7、保压时间和压降都是从升到降任意设定时间(用户可以自己设定这个时间)以后开始进入保压时间和计算实际压降。
8、试验程序及参数预输入功能,可任意设定升压程序流程,按照被测试容器设定典型的试验程序有:恒速升压—保压—泄压;恒速升压—直至爆破。恒速升压—保压—恒速升压—保压—恒速升压直至达到试验标准压力;多段恒速升压保压试验过程(梯度升压,可程序选择阶段0-10或者更多段)恒速升压直至达到试验标准压力;另外本软件可以任意设定疲劳测试功能,1-10万次。
9、试验压力在试验过程中可以任意设定单段或者多段保压测试,升压速度能保持恒定,可实现无级调节,到达压力精准无超压。升压速度可显示、可控制;试验数据和曲线参数能实时显示、能自动保存存贮试验结果、并可任意打印试验报表;能直接编制、保存、调用编程好的程序,防止试验参数输入的错误;试验数据能直接以模板形式生成,基本信息完整,只需要做一些备注、判断即可,同时试验结果可编辑,可联网,可与OFFICE办公软件兼容,其模板可重新编制,并设定。
10、软件的使用者有各自的帐户和密码。
11、本系统计算机控制系统添加了压力遥控装置,可在100米之内对试压泵进行启停,从而达到高效安全的目的,控制系统有手自一体的功能,如果自动部分失灵,可使用手动完成试压试验。
注:以上系统控制软件功能为我公司通用软件功能!可根据客户实际需求增添任意功能。因我公司软件为开放式,由客户提出技术要求,界面功能为任意,达到客户满意是我们的宗旨。
我司做过的试压泵控制系统一些案例及控制软件界面就不一一列举了,设备软件具体功能和界面及试验报表最终以双方技术协议为准。
附件:计算机控制软件一些基本功能,图片仅供参考具体请以实物为准。
系统控制软件操作界面说明及系统软件的参数设置:
本系统内置本公司自主研发的专用控制软件,操作界面人性化,软件性能成熟稳定无缺陷,可以任意设定试验项目、压力值、保压时间等各种试验参数。完善的人机交互界面,制定试压方案后会通过弹出窗口的形式引导操作员完成实验。通过对话框上“确定”,“取消”按钮对相对危险(例如爆破实验)的试验项目,让程序员进行确认,确定实验的准确与安全。软件可根据用户技术要求更改功能,可按照用户自定义界面及功能编制,以双方最终沟通需方认可的界面为准。
1、登录:系统自动生成一个超级用户,用户名和密码为admin,进入系统后,通过增加修改删除用户等操作,用户可自己增加删除修改用户名称密码级别等。

2、系统登录和退出

登录:可以按其他用户名重新登录。退出:退出软件。
3、用户配置,只有管理员用户才能进行用户配置

增加删除修改:

用户名称是唯一的,如果已经有此用户,不能再增加同一用户名称。正在登录的用户不能被删除。
4、参数配置:只有管理员用户才能进行参数配置

(1)串口配置:

地址为PLC的地址
端口号为PC和PLC连接用的串口的端口号
波特率、校验、数据位、停止位应和PLC的对应(本机串口端口号是1)
(2)传感器配置:
配置高压传感器和低压传感器。
量程为传感器量程,最大安全压力应不超过传感器量程,爆破门限是指在100毫秒内压力下降爆破门限所设定值以上认为是爆破。泄压门限是指泄压到设定门限以下认为泄压结束。泄压延时是指泄压到泄压门限后继续泄压设定时间后停止泄压。PID系数设定范围为10-50。数值越小,打压速度会越慢,反之速度会快,对于小容器,应选小的系数,大容器应选大的系数。传感器校准填入测量值和实际值。至少要包含0和量程两个值,*对应栏的数据不会被保存。

本软件,可以对压力表和传感器互相进行校验。将压力表实测的压力值填入格中实际值和测量值一一对应,为保证精度需要多采集几个压力点来设置,如下图:

(3)试验参数
包括新建试验参数和打开已经配置的试验参数
数据保存在安装目录下的 程序数据子目录下,文件类型为.dat.。
选择试验类型,产品参数等。根据不同试验类型,会有不同参数需要配置。水压试验必须填压力阶段参数,爆破试验如果需要阶段打压再爆破也要填阶段压力参数。压降百分比是指保压时间内下降的压力超过设定百分比被认为不合格。补压百分比是指保压时间内压力下降超过设定百分比,系统自动启动试压泵补压。



![]() |
软件实际保压曲线图。
软件梯度升压梯度降压曲线图,图片仅供参考。请以实物为准!



有:耐压试验、爆破试验、疲劳试验。可根据要设置的试验项目分别设置。压力量程为传感器量程,流量量程为电子秤台的量程,最大安全压力应不超过传感器量程,爆破门限是指在100毫秒内压力下降爆破门限所设定值以上认为是爆破。泄压门限是指泄压到设定门限以下认为泄压结束。泄压延时是指泄压到泄压门限后继续泄压设定时间后停止泄压。PID系数设定范围为10-50。数值越小,打压速度会越慢,反之速度会快,对于小瓶体,应选小的系数,大瓶体应选大的系数。包括新建试验参数和打开已经配置的试验参数数据保存在安装目录下的 程序数据子目录下,文件类型为.dat.。
选择试验类型,产品参数等。根据不同试验类型,会有不同参数需要配置。水压试验必须填压力阶段参数,爆破试验如果需要阶段打压再爆破也要填阶段压力参数。压降百分比是指保压时间内下降的压力超过设定百分比被认为不合格。补压百分比是指保压时间内压力下降超过设定百分比,系统自动启动试压泵补压。

耐压试验的基本设置,设置参数仅供参考,具体请以实际为准,设置好以后按保存。

爆破试验的基本设置,设置参数仅供参考,具体请以实际为准,设置好以后按保存。

疲劳试验的基本设置,设置参数仅供参考,具体请以实际为准,设置好以后按保存。
8、当所有设置参数完成后接下来可以做试验了
点击试验按钮

选中耐压或爆破试验设置好的文件,点击打开

点击试压泵开启,试验开始进行

先做泄放加耐压试验,排掉瓶里的空气。

耐压进行时

耐压试验做完。

开始打爆破试验

爆破试验正在进行时

爆破进行时

爆破完成,液化气瓶爆破后,试压泵会自动停泵,这时点击确认。
历史曲线显示保存的打压数据曲线,并可产生历史报表

找到爆破历史数据,
试验完毕后,点击报表,找到历史曲线双击,然后点击生成报表
可点击曲线输出报表,以下为客户提供的试压报表。仅供参考,具体请以实物为准。本系统试验报表由客户提供模版,开放式制作。


以上为客户提供的试压报表。仅供参考,具体请以实物为准。
本系统试验报表由客户提供模版,开放式制作。
历史报表显示历史报表,数据清理可以删除历史数据和程序数据

数据清理:点击数据清理可选择需要删除的历史曲线与历史报表。(慎用)

应变测试系统功能特点如下:仅供参考,具体请以双方最终技术协议为准:
1、采用嵌入式系统控制,配合独特的软硬件信号处理技术和磁耦隔离技术,采集板之间电源、地相互独立,系统具有极强的现场抗干扰(工频干扰)能力。
2、智能多功能模拟量输入,可直接接入市面各型传感器而无需其他辅助设备,做到真正的万能输入。
3、各测点任意选择输入类型,保证互不干扰,非一般通过电子开关、继电器切换的采集仪所能比拟。
4、特有数字、模拟补偿技术,根据工况选择补偿方法,保持测点相互隔离,避免补偿而引起的通道之间串扰。
5、每个测点独立DA平衡,不损失测量范围;独立AD测量,无需电子开关或继电器切换,保证长期的稳定性、一致性。
6、所有测点同步采样、显示、保存,最高采样频率达200KHz。
7、设备采用模块化设计根据测试实际需要客户自定测点数,积木式自由组合。
8、选配件丰富,覆盖市面所有测试类型,按要求组成不同的集散测试系统。
9、系统精度:0.2%±3字节。
10、特有的“软”硬件技术,方便后期升级硬件,客户可根据测试需求自主升级硬件,设置软件参数,软件编辑硬件使得设备无所不能,满足您所有需求。
11、设备便携设计携带使用方便。特别适合野外车载或机载工况下工作。
三、硬件指标
1、测量点数:8通道(可以软件配置成7通道应变等输入类型,1通道力)。
2、采样频率:0.1Hz~200KHz软件任意设置(完全兼容静态应力应变测试系统)。
3、测量类型:每通道可以任意选择输入类型,同时接入不同传感器,保证互不干扰。
应变:全桥、半桥、1/4桥二线制1/4桥三线制1/4补偿桥(±32768με)。
电压:±10mV、±50mV、±100mV、±500mV、±1V、±5V、±10V。
电流:±20mA、±80mA、0~20mA、4~20mA等。
温度(各型热电偶):0~1500℃。
位移:应变式、电阻式、电感式、LVDT。
应变式传感器:力、压力、扭矩等应变式传感器。
其他传感器:空隙水压力计、土压力计等电压、电流输出型传感器。
4、传感器激励电压输出:0~10V,100mA,软件设置,精度0.1%。
应变桥压:3.052V。
5、AD分辨率:16位采样(可选配24位)。
6、测量精度:≤±0.2%。
7、系统不确定度:±3字节。
8、稳定度(输入端短接):±4字节/4小时;±1字节/℃。
9、DA平衡范围:±10V全量程独立DA自动平衡。
10、使用应变片:60~1000欧(全桥、半桥),120欧(1/4桥)。
11、应变片灵敏系数修正:0.01~9.99线性可调。
12、参数设置:所有功能软件操作、设置。
13、数据分析:把数据传输到PC后对数据进行编辑、分析、处理等操作。
14、数据存储:数据存储到电脑硬盘。
15、电源:AC220V/50Hz适配器(输出DC12V6A)。
四、软件指标
1、基本分析软件是自主开发,包括底部驱动程序,通讯协议。自动识别系统配置,程控设置仪器的量程、测量类型、滤波及采样参数,完成信号的实时采集分析处理等功能。
2、采样方式多样:单次采样、定时采样、连续采样、触发采样。
3、显示方式灵活:所有曲线同步显示,同时可以独立全屏观察任意一条曲线,全参数显示;同时可以选择X-Y函数形式显示曲线。
4、仪器设置项全软件操作,所有功能嵌与同一软件内。
5、通过特殊软件技术实现边采集边保存获取的大量数据,保证意外断电数据不丢失。
6、估计不同的试验可预先都各通道设置不的采样参数、采集类型、控制参数。
7、数据传输到PC机后,可以对数据进行预处理,包含经典滤波、去直流、平滑、数据的截取、删除、另存、压缩、时差域、幅值域、频率域的积分与微分、数字滤波器等各种分析计算功能。
8、显示数据曲线同时同步显示频谱分析曲线,多种窗口可选。
9、软件可设置应变片灵敏度、修正系数、标定值、材料泊松比、弹性模量,可长导线补偿,自动计算应力、残余应力等。
标签: