试压泵厂家最新配置API 6A平板闸阀专用试压泵控制系统
本试压泵控制系统中试压泵压力集成阀组阀门管汇,均采用进口美国HIP高压气控阀及高压单向阀以及高压截止阀,比某些同行业试压泵厂家自己生产的远控卸荷阀更加能提高整个系统的使用寿命,更能保证整体系统的测试精度、保压精度、并可以将自然压降减至更低,从而实现了整个系统的相对“零泄漏”,我公司早在十几年前就应用变频无极调速系统来控制电动试压泵的升压速率(本项目为简单手动操作),从而最大限度的实现了停泵不超压,压力不过冲,这一点大大优于同行业其它试压泵厂家靠几套机械阀组动作来回配合繁琐的控制功能。本试压系统还配有远程遥控紧急开泵、停泵功能,这一点大大的方便了操作人员实际试压工作中的劳动强度,例如在阀门拧好接口准备开始试压时,可以按遥控器远程开泵,操作人员检查所有接口有无拧紧或者漏水漏压,如遇这种情况可遥控停泵进行操作。

本试压控制系统采用电动试压泵安全阀超压自动起跳和试压泵压力集成阀组里进口高压气控阀远程卸放压力以及采用防震电接点压力表来进行系统限压安全保护。如果打压泵出现紧急故障可按急停按钮关闭控制系统电源,然后手动泄除试样及设备内部压力, 设备运行如遇紧急情况可用遥控紧急停泵,遥控有效距离100米内。
本系统采用高清视频监控系统由四路高清摄像组成,采用目前国内先进的网络硬盘录像机与高清摄像系统组成,四路高清远红外摄像无缝隙实时覆盖,还可连入局域网或国际互联网,可实现车间、办公室以及有互联网接入的任何地方远程登陆进行操控(甚至在手机上都可完成),通过计算机控制试压软件及高清摄像系统实现了对压力测试及监控的远程操控和异常诊断。
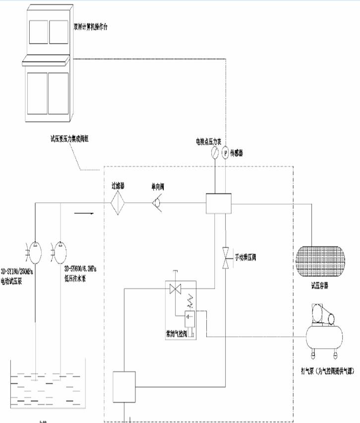
设备主体由3D-SY180/250MPa型高压电动试压泵(含试压泵电控系统)、试压泵压力集成阀组与便携式试压泵压力采集系统(数显记录仪)及单屏计算机操作台(含高清视频监控系统)三部分组成。高压电动试压泵泵组与试压泵压力集成阀组脱离试压泵便携式试压泵压力采集系统后可独立进行试压试验,但只能通过压力表观察压力变化和控制压力不能进行数据运算曲线显示与打印报表。试压泵压力集成阀组通过不锈钢镜面管汇与被测高压阀门相连接,试压系统所有外接电线电缆及数据线据项目现场施工需要调整。
一、设备的使用条件:
1、设备可在需方除工装夹具外不必增加其它设施的情况下可正常安装使用;
2、工作环境:0℃~45℃ 、无可燃性气体、通风干燥、周边无强电磁干扰信号;
3、试验介质: 水、乳化液、防锈水及粘度与水相近的中性油品;
4、设计耐压:250MPa;
5、测试温度:根据实际使用环境及介质温度;
6、压力测量精度:精准度为满量程FS0.25%;
7、本系统采用250MPa精度为FS0.25%的压力传感器;
8、本系统的变频控制系统精度为FS0.3-0.5%;
9、电源:AC380/220V,50Hz;
10、相对空气湿度要求:≤70-90%。
本套设备根据客户实际技术要求非标制作:其中参考试压泵执行标准:
JB/T9089-2014试压泵
JB/T6909-2014超高压泵
JB/T12013-2014自控试压机
JB/T53194电动试压泵 产品质量分等;
GB-T9234-1997机动往复泵;
GBT 7784-2006 机动往复泵试验方法。
以下为客户技术要求:(客户提出简单技术要求,结合参考技术方案整理)
客户主要试API 6A闸阀,最高压力可以做210MPa的,能自动记录曲线、并能打印报告,有摄像监控的,石油和天然气上用的平板闸阀,单次稳压最多半小时
根据客户以上技术要求及与客户现场技术沟通交流后,结合我公司做过的类似项目,现做出技术方案如下:(此方案中所有图片均为我公司曾经做过的项目实物照片,图片仅供参考具体请以到货实物为准)
二、设备配置部分技术参数及详细功能描述:
1、设备概述:本设备根据需方技术要求非标制作:


双屏计算机操作台及现场监控,图片仅供参考具体请以到货实物为准。

双屏计算机操作台,图片仅供参考具体请以到货实物为准。

试压系统工作时软件与监控画面图片,仅供参考具体请以到货实物为准。
本项目为试压泵电控系列,只有单屏高清摄像监控功能。
二、总体技术方案:
1、系统原理图:仅供参考,具体请以最后协议为准:

2、系统电路图:仅供参考,具体请以最后协议为准:


以上为我司计算机控制系统的原理图及电路图仅供参考。
2、计算机试压泵控制系统详细配置:
名称 | 明细项 | 数量 | 单位 | 备 注 |
试 压 泵 变 频 电 控 系 统 | 监控系统显示器 | 飞利浦22寸宽屏液晶显示器 | ||
控制系统打印机 | 1 | 台 | 惠普彩打系列 | |
高清网络硬盘录像机及高清 网络摄像系统视频数据线等相关配件 | 1 | 套 | 四路高清远红外监控无缝隙覆盖 | |
试压泵整体电控系统 | 试压泵控制核心 | |||
变频器及变频电控系统 | 1 | 套 | 22KW控制15KW变频电机 | |
3D-SY250MPa电动试压泵 | 1 | 套 | 含变频电机不锈钢耐震150圆压力表 | |
250MPa压力传感器 | 1 | 支 | 精度为FS0.25,20米传感线 | |
40000PSI不锈钢镜面金属硬管 | 4 | 套 | 管汇接头长度等具体需要根据现场排管 | |
试压泵压力集成阀组 | 1 | 套 | 详细配置见附表,思凯达 | |
单屏计算机操作台 | 1 | 套 | 碳钢喷塑,思凯达 | |
试压泵出口高压管汇阀门 | 1 | 套 | 与试压泵压力集成阀组连接 | |
压力采集系统 | 便携式试压泵压力采集系统 | 1 | 套 | 浙大中控7寸液晶数显记录仪一套 试压泵压力上位机采集软件一套 便携箱一台 |
注:个别配件在实际生产制作有可能参数不同,但不影响设备整体功能。
附表:试压泵压力集成阀组详细配置:
品 名 | 厂 家 | 规格型号 | 数量 | 单位 | 备 注 |
高压常闭气控阀 | 美国HIP | 40000PSI | 1 | 套 | 60-11HF6-MPO-NC |
高压单向阀 | 美国HIP | 40000PSI | 1 | 套 | 60-41HF6 |
高压过滤器 | 美国HIP | 40000PSI | 1 | 套 | 60-51HF6 |
HIP手动针阀 | 美国HIP | 40000PSI | 1 | 套 | 60-11HF6 |
阀组集成箱 | 思凯达 | 不锈钢 | 1 | 套 | 拉丝不锈钢 |
集成箱高压管汇 | 思凯达 | 40000PSI | 1 | 套 | 不锈钢 |
小气泵 | 1 | 套 | 高压气控阀供气 | ||
耐震电接点压力表 | 济南长城 | 250MPa | 1 | 块 | 1.6级不锈钢耐震150圆接头标准M20X1.5 |
压力传感器 | 菲尔斯特 | 250MPa | 1 | 支 | 精度FS0.25%,传感线10米,接头标准M20X1.5 |
注:个别配件在实际生产制作有可能参数不同,但不影响设备整体功能。
根据实际集成机箱的尺寸试压泵压力集成阀组也可能直接分体与试压泵通过高压管汇连接。

3D-SY250型超高压电动试压泵渤海钻探现场,图片仅供参考,具体请以到货实物为准。

3D-SY250型超高压电动试压库房实物图,图片仅供参考,具体请以到货实物为准。
3、3D-SY250MPa电动试压泵详细技术参数:
试压泵型号 | 额定压力(Mpa) | 流量(L/h) | 功率(KW) | 电压(V) | 频率(HZ) | 重量(kg) |
3D-SY180/250MPa | 250 | 180 | 15 | 380 | 0-50 | 950 |
试压泵型号: 3D-SY250MPa电动打压泵
技术参数:额定压力250MPa,额定流量180L/h;
打压泵电机:15KW变频电机;
试压泵控制系统:带本地手动遥控启停及控制功能和变频控制系统;
出口连接端:M30X2工作接头,连接一根两头为M30X2的内螺纹不锈钢镜面高压硬管;
手动卸荷阀:厂家标配;溢流阀:厂家标配;安全保护阀:厂家标配;
试压泵出口高压单向阀:美国HIP高压单向阀及高压附件;
远程泄压阀组:美国HIP高压气控阀及高压过滤器;
试压泵水箱:集成在试压泵底座或直接从水池吸水,内含高压过滤器;
耐震压力表1块:1.6级不锈钢150圆250MPa

单屏监控操作台图片,图片仅供参考具体请以实物为准,本项目也可直接把便携式压力采集系统的数显记录仪集成到单屏计算机操作台上。


不锈钢试压泵压力集成阀组,美国HIP气控阀单向阀。图片仅供参考具体请以到货实物为准。
三、设备整体安装布线及现场示意图:



以上为客户车间里原有气密封水池,和放置操作台的房间。这次利用这个蓄水池和地坑做高压试压泵泵组供水排水,利用小房间做计算机操作台控制系统的试验控制室:
1、将计算机操作台放置在试验控制室内,在控制室的前面墙壁上安装双层防爆玻璃窗(可利用现有窗户),达到远程观测试压区的目的。室内内装修预留与室外连接电线管井,安装空调以保证计算机控制系统能正常运行。所有电线电缆及数据线全部入管走电线通道,横平竖直符合安全规范要求。计算机操作台具有手动、自动电路控制按钮及数显仪表等操作面板,总共两个屏幕,其中一个计算机控制软件屏幕一个高清视频监控屏幕,高清视频监控系统由目前国内最先进的网络硬盘录像机与高清摄像系统组成,还可连入局域网或国际互联网,可实现车间、办公室以及有互联网接入的任何地方远程登陆进行操控(甚至在手机上都可完成),通过计算机控制试压软件及高清摄像系统实现了对压力测试及监控的远程操控和异常诊断。
2、由于本次试压系统为超高压阀门试验,需要单独划定试验区域增加警示牌或是报警灯,试验时绝不允许有外来无关人员出入。建议:安装报警门:水压试验时自动关门警灯亮,保压时间到泄压后报警灯灭,门自动开启。
3、利用原蓄水池改为阀门试压工作地坑,修建一个可供操作人员上下的爬梯,可利用天车上下吊装被测阀门方便进行试验,高压阀门一般腔体容积都不大,因此蓄水池不需要太大,在下面重新隔断修葺一个小蓄水池容积根据实际需要配套,做为试压供水用,为保持水质符合试验需要,安装好上下水管路,将试压泵吸水管路和泄压管路放入,在水压区域开一条下水道排水沟,铺设钢格板,采用中央地漏或者倾斜式下水,将被测阀门放在上面安装试压。当操作人员阀门拧好阀门接口管汇准备开始试压时,可以按遥控器远程开低压打一个6MPa左右的低压检查所有接口有无拧紧或者漏水漏压,如遇这种情况可遥控停泵进行紧固操作。如无问题,操作人员撤离试验地坑,进入试验控制室进行编程设定,正式进入高压试验状态。
4、在试压地坑三方位上安装3路高清摄像,一路固定监控试压泵压力集成阀组,一路监控阀门与试压管汇接头连接处,一路巡航实现无缝隙覆盖式的实时监控。
5、将高压电动试压泵泵组及试压泵压力集成控制阀组安装在试压坑的一侧,预留一路高清摄像巡航实时监控重点各个管路连接处,压力管线采用金属硬管,地面开槽入钢管以及入试压坑,稳定牢固防老化。本高压泵组过水管路、阀门管汇均采用不锈钢件,避免了腐蚀性介质对泵及管、阀的锈蚀,极大的提高了泵组的使用寿命。在美国进口HPI高精度气控阀单向阀处安装了高压过滤器,从而有效的防止了试压介质中的杂质对阀路产生的危害,有效的保障了待测容器在压力测试过程的正常运行。
以上为我公司计算机控制系统的客户案例描述。仅供参考。
三、设备的控制系统的主要功能及技术参数:
该试压泵在使用前,将电控系统的操作按钮扭到自动位置上,然后在试压泵压力集成阀组上的电接点压力表设定好上限压力值,在数显时间继电器上设置好保压时间(也可以不用自动功能,完全靠操作人员人为操作打压泵的启停,详见控制系统操作说明书),然后按遥控或手动按钮启动低压大流量试压泵,当压力达到事先设定的上限目标值时,试压泵自动停机进入保压状态,可通过便携式试压泵压力采集系统实时观察压力曲线变化(详见记录仪功能叙述),当保压时间到试压泵压力集成阀会自动卸荷压力,也可打开手动试压泵泄压阀卸除压力,试压完毕,整个试压过程可以通过数显记录仪或者计算机上位机后台软件进行数据存储(详见记录仪功能叙述)。
本试压系统还配有远程遥控紧急开泵、停泵功能,这一点大大的方便了操作人员实际试压工作中的劳动强度,例如在拧好被测阀门接口准备开始试压时,可以按遥控器远程开泵,检查所有接口有无拧紧或者漏水漏压,如遇这种情况可遥控停泵进行操作。试压系统通过高压胶管及管汇阀门与被测阀门相连接,试压系统所有外接电线电缆及数据线据项目现场施工需要调整。
本试压泵控制系统采用电动试压泵安全阀超压自动起跳及防震电接点压力表来进行系统限压安全保护。如果试压泵出现紧急停机,能够手动泄除试样及设备内部压力, 设备运行如遇紧急情况可用遥控紧急停泵,遥控有效距离100米内。

变频电控系统客户车间实物图,图片仅供参考具体请以实物为准。
便携式试压泵压力采集系统详细技术参数:

便携式试压泵压力采集系统实物图片,图片仅供参考具体请以到货实物为准。

便携式试压泵压力采集系统实物图片,图片仅供参考具体请以到货实物为准。

便携式试压泵压力采集系统实物图片,图片仅供参考具体请以到货实物为准。

便携式试压泵压力采集系统实物图片,图片仅供参考具体请以到货实物为准。


开机画面可以定制公司名称及LOGO,图片仅供参考具体请以到货实物为准。

试压泵数显记录仪压力采集系统技术参数:
数显记录仪七寸(彩屏),AC220V电源,接入压力传感器信号;
可直连电脑通过上位机软件读取数据打印A4纸报表,也可通过U盘导出数据到电脑;
微型打印机(针式);可直接打印55mm长条记录纸报表;
压力传感器:250MPa精度为满量程FS0.25%,DC24V,4-20MA,量程0-250MPa;
便携式机箱:安装记录仪与打印机等,标配;
仪表电源线:一套;
压力信号线:一套;
8G高速U盘:一个;
计算机上位机管理软件:在U盘里面。

电脑上位机软件现场试压界面,图片仅供参考具体请以实物为准。

电脑上位机软件打印试压报表,图片仅供参考具体请以实物为准。
便携式试压泵压力采集系统具有以下功能:
(本压力采集系统也可集成在单屏计算机操作台上或电控系统机箱上)
1、在试压泵压力试验过程中,可以显示实时压力数值和实时压力曲线,自动记录压力值及升压保压过程的曲线变化并存储与打印到微型打印机,或通过U盘导出数据到计算机等功能。
2、便携式试压泵压力采集系统可随时通过数据线直连到计算机(笔记本电脑)上,通过计算机上位机软件实时观察试验情况及压力数值和压力曲线,并可通过计算机随时打印试验报表,试验报表格式电子档可任意随时编辑。计算机(笔记本电脑)由客户自行提供。
3、远程数据采集:便携式记录仪压力采集系统通过压力传感器数据线与试压泵相连,可以进行延长,从而实现远程数据采集、安全试压的目的!
4、设备的安装调试由供方技术人员7X24小时电话指导。如电话指导不能完成安装调试,双方协议供方酌情收取安装技术人员差旅费用后,我公司可立即派人到需方进行安装调试。
标签: